SiPM Preamplifiers

High-performance preamplifiers specifically designed for Silicon Photo-multipliers (SiPMs).

SiPM Preamplifiers

Overview of SiPM Preamplifiers

Advatech supplies Photonique SiPM (Silicon Photo-multipliers) AMP-0604 and AMP-0611 Preamplifiers. These are of a transimpedance design and are specifically tailored for use with Advatech’s SiPMs and also those supplied by leading suppliers such as Sensl, Hamamatsu (MCCP) and Ketek.

These SiPM Preamplifiers are compact in size, allow the bias voltage to be set on the SiPM and enable the gain to be set through adjustment of the supply voltage to the board.

SiPM Preamplifier Parameters

Parameter Units AMP-0604 AMP-0611
Bias Circuit/Transimpedance Amp.
Signal Amplification x20 - x60 x10 - x20
Signal Risetime ns 5 0.7
Output Impedance Ω 20 20
Operating Voltage (VOP) V 4 - 10 4 - 10
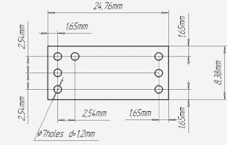
Size mm 8x25 8x25

Reference Circuit

The adjacent diagram is a functional schematic of the AMP-0604/0611 circuits.